- ¸ÅÀÀ
-
¹¦Ð§Ìصã
1¡¢¡¢Profinet×ÜÏßÒÔ1 0 0 M b p s ËÙÂÊͨѶ£¬£¬ ´ÓÕ¾¼äµÄͨѶ¾àÀë×¿É´ï100Ã×£¨100BASE-TX£©£»£»£»
2¡¢¡¢ÍØÆË½á¹¹Ö§³ÖÐÇÐΡ¢¡¢Ê÷ÐΡ¢¡¢ÏßÐÍ¡¢¡¢»·Ðνṹ£»£»£»
3¡¢¡¢Ã¿¸ö´ÓÕ¾ÔÊÐíÀ©Õ¹8¸öI/OÄ£¿é£¨Êý×ÖÁ¿Ä£¿é¡¢¡¢Ä£ÄâÁ¿Ä£¿é¡¢¡¢Î¶ÈÄ£¿é¡¢¡¢PIDÖÇÄÜÄ£¿é£¬£¬²»°üÀ¨CANÄ£¿é¡¢¡¢ÔË¿ØÄ£¿é¡¢¡¢³ÆÖصÈÌØÊâÄ£¿é£©¡£¡£¡£
4¡¢¡¢Ö§³ÖÎ÷ÃÅ×ÓProfinetÖ÷Õ¾£¬£¬°üÀ¨Siemens S7-300£¬£¬Siemens S7-1200 £¬£¬Siemens S7-1500£»£»£»
5¡¢¡¢×é̬Èí¼þTIA Portal V13 ¼°¸ü¸ß°æ±¾¡£¡£¡£
¶©»õºÅ£ºCTH2 277-0PN32
¹æ¡¡¸ñ£ºCTH200ϵÁÐProfinet´Óվģ¿é,×î¶à¿ÉÀ©Õ¹8¸öCTH200ϵÁÐIOÄ£¿é
¿ò¼Üͼ

- ÊÖÒÕ²ÎÊý
-
ÎïÀíÌØÕ÷
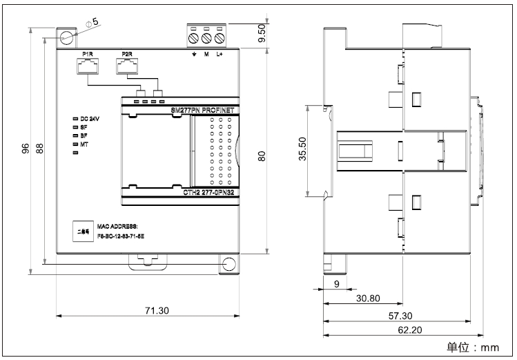
³ß´ç£¨W¡ÁH¡ÁD£©
71¡Á80¡Á62 mm
µçÔ´ÏûºÄ
¶î¶¨ÊäÈëµçѹ
24V DC
ÊäÈëµçѹ¹æÄ£
20.4V~28.8V DC
ÊäÈëµçÁ÷
0.8A
×ÜÏßµçÔ´µçѹ
+5V DC
×ÜÏßµçÔ´µçÁ÷
1.1A
¸ôÀë
ÍⲿµçÔ´ÓëϵͳµçÔ´¸ôÀë
µçÔ´±£»£»£»¤
¹©µçµçÔ´¶ËÌṩ·´½Ó±£»£»£»¤¹¦Ð§¼°ÀËÓ¿ÎüÊÕ¹¦Ð§
LEDָʾµÆÌØÕ÷
24VµçԴָʾµÆ£¨ÂÌÉ«£©
ON = 24VDC¹©µçÕý³£
OFF = ÎÞ24VDC¹©µç
SFָʾµÆ£¨ºìÉ«£©
ON = À©Õ¹I/O×ÜÏß¹ÊÕÏ»òÕßPROFINETÄ£¿é¹ÊÕÏ
OFF = ÎÞ´í
BFָʾµÆ£¨ºìÉ«£©
ON = PROFINET×ÜÏßͨѶ¹ÊÕÏ£¨Î´ÅþÁ¬½»Á÷»ú£¬£¬Î´¼ì²âµ½ÍøÂ磩
Blinking=Ó²¼þ×é̬·×ÆçÖÂ
OFF = ÎÞ´í
MTָʾµÆ£¨»ÆÉ«£©
£¨Î¬»¤Ö¸Ê¾µÆ£©
ON = ɥʧͬ²½
OFF = ÎÞ´í
P1R/P2R¿ÚָʾµÆ£¨ÂÌÉ«£©
ON = Óе½½»Á÷»ú/PNÖ÷Õ¾µÄÅþÁ¬
OFF = ûÓе½½»Á÷»ú/PNÖ÷Õ¾µÄÅþÁ¬
P1R/P2R¿ÚָʾµÆ£¨»ÆÉ«£©
ON = Óе½½»Á÷»ú/PNÖ÷Õ¾µÄÊý¾ÝÊÕ·¢
OFF = ûÓе½½»Á÷»ú/PNÖ÷Õ¾µÄÊý¾ÝÊÕ·¢
À©Õ¹I/OÄÜÁ¦
ÿ´ÓÕ¾Ö§³Ö×î¶àÄ£¿éÊý
8£¨Êý×ÖÁ¿Ä£¿é¡¢¡¢Ä£ÄâÁ¿Ä£¿é¡¢¡¢Î¶ÈÄ£¿éºÍPID¿ØÖÆÄ£¿é£¬£¬²»°üÀ¨ÆäËûÀàÐ͵ÄÄ£¿é£©
ÐÒéÀàÐÍ
CTH200 PLC×Ô½ç˵4MHZ×ÜÏßÐÒé
ÿ´ÓÕ¾IO×î´óÉèÖÃ
Ä£ÄâÁ¿IO×î´óÉèÖÿɴï64AI/32AQ
Êý×ÖÁ¿IO×î´óÉèÖÿɴï256DI/256DQ
ÍØÆË½á¹¹
Ö§³ÖÐÇÐΡ¢¡¢Ê÷ÐΡ¢¡¢ÏßÐÍ¡¢¡¢»·ÐÎ
PROFINETͨѶ¿Ú
ͨѶ½Ó¿Ú
1¸öË«RJ45¿Ú
Êý¾Ý´«ÊäËÙÂÊ
ÒÔÌ«Íø´«ÊäÂÊΪ10Mbps
PROFINET´«ÊäÂÊΪ100Mbps£¬£¬È«Ë«¹¤
Ö§³ÖµÄÒÔÌ«Íø·þÎñ
ping¡¢¡¢arp¡¢¡¢ÍøÂçÕï¶Ï(SNMP)/MIB-2¡¢¡¢LLDP
·¢ËÍÖÜÆÚ
250us~4ms
µÚÈý·½PROFINETÖ÷Õ¾
Ö§³Ö
´ÓÕ¾¼äͨѶ¾àÀë×
100m£¨100BASE-TX£©
ÍØÆË½á¹¹
Ö§³ÖÐÇÐΡ¢¡¢Ê÷ÐΡ¢¡¢ÏßÐÍ¡¢¡¢»·ÐÎÍØÆË½á¹¹
¸ôÀë
ͨѶ¿Ú¸ôÀë
Ó²¼þ×é̬¹¦Ð§
µ¼ÈëÎļþÀàÐÍ
PROFINET GDSÎļþXMLÃûÌÃ
µÚÈý·½PNÖ÷Õ¾
Ìí¼ÓCTH2 277-0PN32Ä£¿éºóÖ§³Ö8¸ö²ÛλµÄÀ©Õ¹
À©Õ¹Ä£¿é¿ÉÌí¼ÓÊý×ÖÁ¿¡¢¡¢Ä£ÄâÁ¿¡¢¡¢Î¶ÈÄ£¿éºÍPID¿ØÖÆÄ£¿é£¬£¬ÆäËûµÄÄ£¿é²»¿ÉÌí¼Ó
- µä·¶Ó¦ÓÃ
- ×°Öùæ¸ñ
-

- Ñù±¾/ÊÖ²á/Èí¼þ
-
ÀàÐÍ Ãû³Æ ÏÂÔØ Ñ¡ÐÍÊÖ²á ¡¶CTH200ϵÁÐProfinet´Óվģ¿éʹÓÃÊֲᡷ ¡ý






